• Schwabenstr.14 ,67227 Frankenthal
  • +49 6233 64338
  • vertrieb [at] intechonline.de
MoGas 

MoGas - Medizinische Sauerstoffmessung

Sauerstoff Reinheitsm
essung für die Qualitätssicherung von Gas- Erzeugung, -Verteilung und -Verbrauch
in Krankenhäusern, Heimen und Gesundheitseirichtungen.

Gasversorgungsanlagen müssen in einer medizinischen Umgebung zur Patientensicherheit auf Sauerstoffreinheit und Spuren unerwünschter Gase ständig überwacht werden.
Die Konzentrationen von Sauerstoff, Kohlenmonoxid (CO) und Kohlendioxid (CO²) für medizinische Zwecke,
die durch das medizinische Gasleitungsnetz des Krankenhauses oder an einen medizinischen Gasauslass
geleitet werden sind mit unseren Messgeräten einzeln oder in Kombination in ständiger Überwachung.

Die Gase müssen streng kontrolliert werden, um den aktuellen Betriebsstandards zu entsprechen.
Unsere medizinischen Gasmesssysteme von Ntron sind so konzipiert, dass sie an Ihre spezifischen
Bedürfnisse angepasst werden und Ihnen, unseren Kunden die erforderliche Sicherheit bieten können.


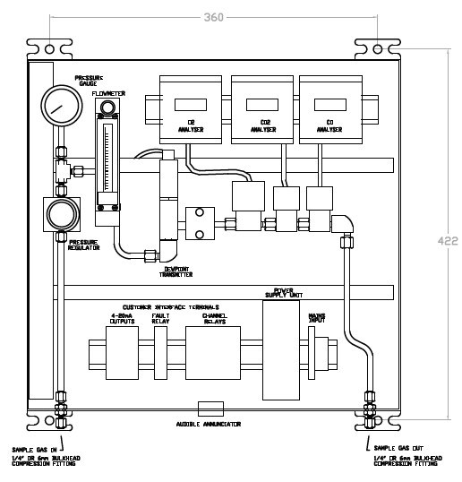
MoGas innen  

Sauerstoffsystem

Messbereiche:
  • 0 ... 96 % Vol O² (Sauerstoff) mit Zirkonia Messsensor
  • 0 ... 100 % Vol O² (Sauerstoff) mit Paramagnetischem Messsensor
  • 0 ... 1000 ppm CO² (Kohlendioxid) mit Infrarot Sensor
  • 0 ... 50 ppm CO (Kohlenmonoxid) mit Elektrochemischem Sensor
  • Feuchte - Optional
 
Auflösung:
  • O² Messung: 0,1 % (Zr-Sensor) 0,2 % (Paramagnetik)
  • CO Messung: 0,3 ppm
  • CO² Messung: 3 ppm
Eigenschaften:
  • Messung von bis zu 4 Parametern gleichzeitig
  • LCD Bildschirm mit Hintergrundbeleuchtung
  • Optionaler akustischer und optischer Alarm
  • Programmierbare Alarmausgänge für ZLT
  • Summen- Alarmrelais
  • Messwertausgänge 4 ... 20 mA pro Kanal
 Aufbau:
  •  Wand Aufbaugehäuse 422 * 360 * 188 mm (B*H*T)
  • 100 ... 240 VAC %0 Hz
  • Umgebung IP 65 bei -20 ... +50 °C und 15 ... 95 % rH

 

About
World's leading management consulting firms, where bold thinking, inspired people and a passion for results come together for extraordinary impact.
Subscribe